전차선 분야

전차선 높이 및 편위 검측

전차선의 높이와 편위는 팬터그래프와의 안정적인 접촉에 핵심적인 요소로, 기준에서 벗어나면 아크 발생, 마모 가속, 급전 장애 등이 발생할 수 있습니다.
이러한 이상은 전차선 지지 구조물의 변형, 장력 불균형, 시공 편차 등으로 발생합니다.
투아이시스는 고속 주행 중 고정밀 3D 라인스캔 센서를 활용해 높이 및 편위값을 실시간으로 정밀 측정합니다.

  • 고속 주행 중 실시간 측정

  • 고정밀 3D 데이터 확보

  • 안정성 조기 확보

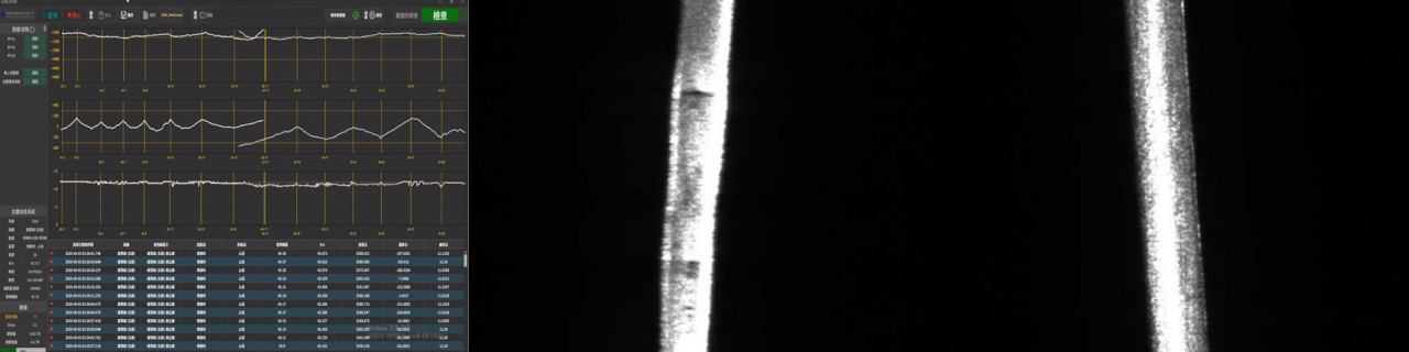
전차선 마모·습동면 검측

전차선은 팬터그래프와의 지속적인 마찰로 인해 점진적인 마모가 발생하며, 특히 슬라이딩 접촉면에서 집중적으로 손상이 누적됩니다.
국부마모나 편마모는 집전 불량, 접촉 불안정, 장비 파손을 초래할 수 있습니다.
본 시스템은 고해상도 2D·3D 데이터를 활용해 마모량을 정량적으로 분석하고, 잔존 수명을 예측합니다.

  • 정량적 마모량 분석

  • 잔존 수명 예측

  • 국부/편마모 정밀 진단

전차선로 전선류 검사

전선류(드로퍼, 균압선 등)는 전차선의 형상을 유지하고 장력을 분산시키는 역할을 하며, 단선이나 이완 시 전차선 시스템 전체의 안정성이 저해됩니다.
이러한 결함은 외부 충격, 노후화, 고정력 약화 등으로 발생하며, 감지되지 않으면 집전 불량과 정전 사고를 유발할 수 있습니다.
투아이시스는 딥러닝 기반 영상 분석으로 전선류의 단선, 탈락 여부를 자동 식별합니다.

  • 딥러닝 기반 자동 식별

  • 인적 오류 최소화

  • 대형 사고 예방

가동브래킷 검사

가동브래킷은 전차선 지지 구조물 중 하나로, 이동성과 유연성을 제공하나 그 구성요소(파이프, 애자, 클램프 등)는 외력에 취약해 균열, 파손, 이탈이 발생할 수 있습니다.
이러한 손상은 전차선의 변형을 유발하며, 주행 중 팬터그래프와의 접촉 불량 및 탈락 사고로 이어질 수 있습니다.
본 시스템은 전·후방 고해상도 영상을 실시간 분석해 부품 결함을 자동 검출합니다.

  • 복합 부품 자동 검출

  • 다각도 정밀 분석

  • 실시간 위험 경고

강체전차선로 시설물 변형 검사

강체전차선 시스템은 고정된 구조로 구성되어 있지만, 지지금구, 구분장치, 신축장치 등 구성 요소에 변형이 발생하면 급전 장애 및 장비 고장을 초래할 수 있습니다.
특히 고속 운행 시 진동, 열 팽창, 시공 편차로 인한 구조물 이상이 문제가 됩니다.
투아이시스는 강체전차선 구성 요소의 기하학적 변형을 정밀 3D 스캐닝으로 자동 감지합니다.

  • 정밀 3D 스캐닝

  • 변형 원인 파악 용이

  • 자동화된 안전 진단

전차선로 시설물 열화상 검측

전차선로 시스템 내에서는 팬터그래프 및 접속 개소에서 비정상적인 접촉 저항이 발생하면 과열 현상이 발생할 수 있습니다.
이러한 열 이상은 아크 발생, 절연 파괴, 설비 화재로 이어질 수 있어 조기 발견이 중요합니다.
투아이시스는 열화상 카메라와 AI 기반 필터링 알고리즘을 통해 지정 부위(접속점, 절연체, 클램프 등)의 열 이상 여부를 정밀 진단합니다.

  • 비접촉식 온도 측정

  • AI 기반 노이즈 필터링

  • 화재 및 절연 파괴 예방